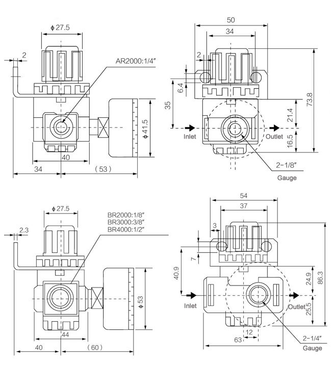
Aluminum alloy Pneumatic treatment unit Pressure reducing valve Air Pressure Regulator AR2000/BR2000/BR3000/BR4000
Order code
Symbol

Technical parameter
Model
AR2000
BR2000
BR3000
BR4000
Port size
1/4”
1/4”
3/8”
1/2”
Range pressure
0.05~0.85Mpa
Proof Pressure
1.5Mpa(15.3kgf/cm2)
Max.Operating Pressure
0.95Mpa(10.2kgf/cm2)
Temperature
5℃~60℃
Body material
Aluminum Alloy
Dimension

Feature
.Airtac type AR2000 BR2000 BR3000 BR4000 pneumatic air regulator is designed with delicate and compact, which is convenient for installation and application.
. The pressed-in self-locking mechanism can prevent the abnormal movement of the set pressurecaused by external interfere.
. In addition to standard type, lower pressure type is optional (The highest adjustable pressure is 0.4MPa).




