关于我们
产品中心
新闻资讯
销售网络
服务中心
联系方式
语言选择-EN
关于我们
产品中心
新闻资讯
销售网络
服务中心
联系方式
English
气源处理器 -
Solenoid valve
电磁阀
汇流板
Manifold
Mechanical Valves
机械阀
脚踏阀
Foot Valves
节流阀 / 单向阀
flow contro valve/check valve
气动接头
Fittings
Cylinder
气缸
气控阀
Air control Valve
Air Source Treatment Unit
气源处理器
Hand Lever Valve
手扳阀
Hand slide valve
手滑阀
Hand pull Valve
手拉阀
手转阀
Hand Rotary Valve
梭阀 / 其他阀
Shuttle valve/Other Valve
Xinyi Mechanical Valves
新益机械阀
真空阀 / 快排阀
Vacuum valve/Quick Exhaust Valve
Accessory--PU air tube
首页
>
产品中心
>
气源处理器
>
SMC型AC系列气源二联件
产品参数
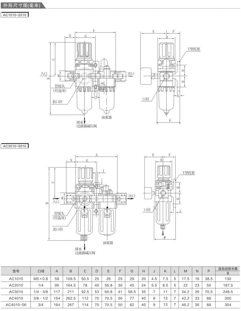
SMC型AC二联件自动排水空气过滤调压气源处理器AC2010-02 AC3010-03 AC4010-06 AC5010-10
关于我们
产品中心
新闻资讯
销售网络
服务中心
资料下载
联系方式
© Copyright 2020~2026 乐清市伊斯特电气有限公司 版权所有 All Rights Reserved.
浙ICP备20025413号-1